PRODUCT
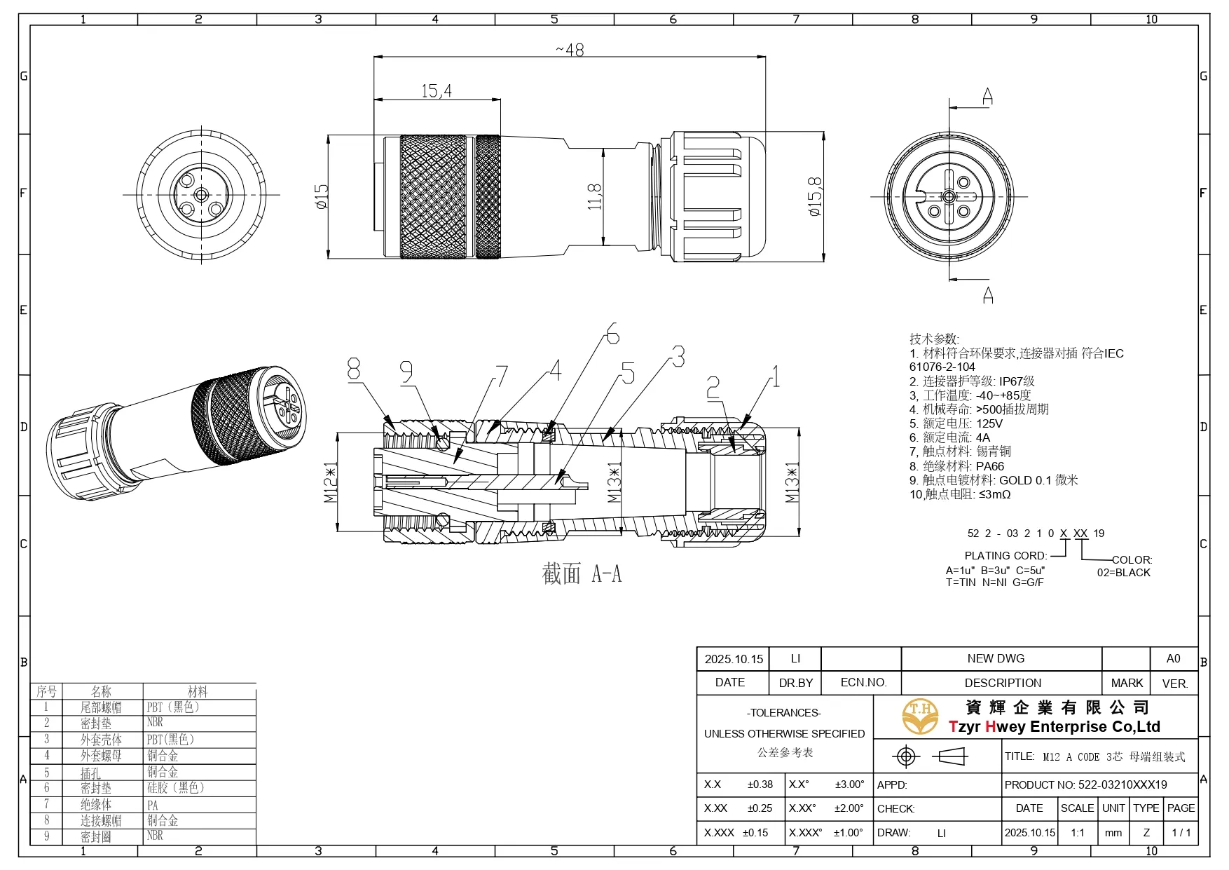
HOME > PRODUCT > 52X- WATERPROOF Connector > M12 A CODE 3芯母端组装式 连接器
Classification
- 10X- DSUB SERIES
- 11X- IDC SERIES
- 12X- USB SERIES
- 15X-PCI EXPRESS
- 18X- MINI DIN SERIES
- 20X- SATA SERIES
- 21X- FPC SERIES
- 23X- WAFER (WIRE TO BOARD)
- 24X- PIN HEADER
- 1.0 PH-1.0 排針 180度
- 1.0 PH-1.0 排針 180度SMT
- 1.27 PH-1.27 排針 180度 SMT
- 1.27 PH-1.27排針 90度(PR)
- 1.27 PH-1.27排針90度SMT
- 1.27 PH-1.27排針180度
- 2.0 PH-RIGHT ANGLE DIP
- 2.0 PH-VERTICAL DIP
- 2.0 PH-242-2.0 RIGHT ANGLE SMT
- 2.0 PH-244-2.0 RIGHT ANGLE DIP
- 2.54 PH-2.54 RIGHT ANGLE DIP
- 2.54 PH-2.54 RIGHT ANGLE SMT
- 2.54 PH-2.54 VERTICAL DIP
- 25X- FEMALE HEADER 排母
- 28- HDMI & DP
- 322- CARD HOLDER SERIES
- 372- BOARD TO BOARD SERIES
- 42X- JACK SERIES
- 42X- SWITCH
- 44X- LAN SERIES
- 42X- RF Connector
- 52X- WATERPROOF Connector
- CABLE
